| Availability: | |
|---|---|
| Quantity: | |
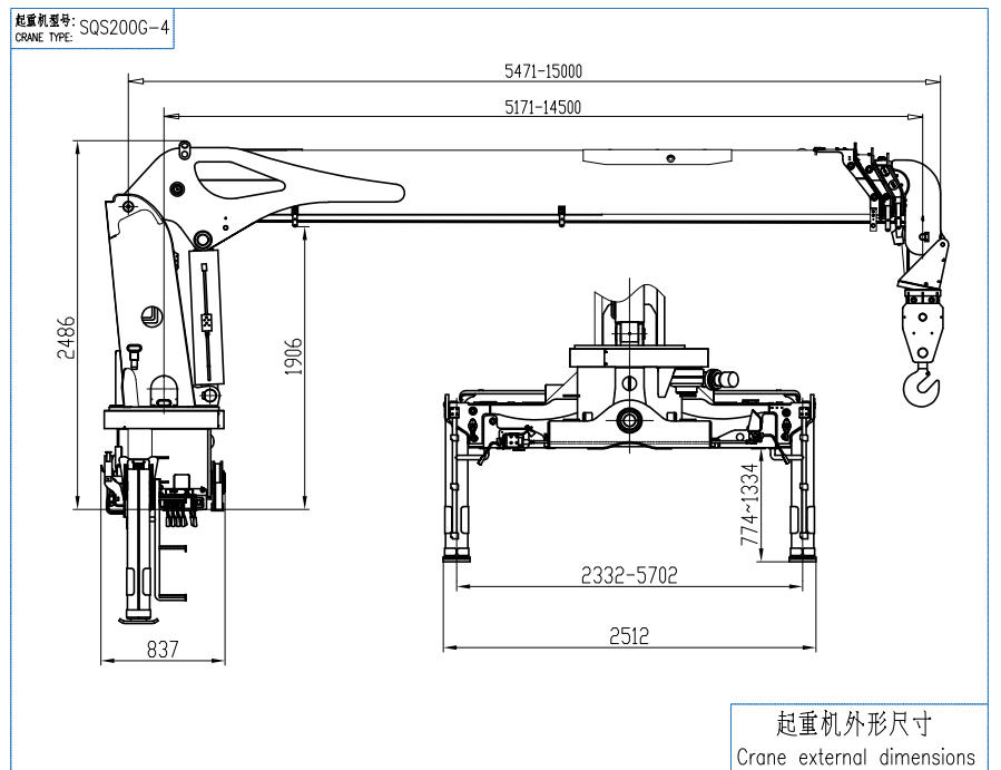
The SQS200G-4 8 ton telescopic hydraulic crane is a robust, industrial-grade hydraulic truck crane, purpose-built for professional contractors and heavy industrial operators handling demanding lifting tasks across large-scale construction, manufacturing, and logistics projects. With a maximum lifting capacity of 8000kg and a rated lifting moment of 16.7 t·m, this heavy-duty hydraulic telescopic truck crane delivers uncompromising lifting performance across extended working radii. Its 360° full slewing capability, 3260kg optimized weight, and 1200mm minimal installation footprint enable seamless integration with medium-to-heavy duty trucks, making it a versatile workhorse for high-demand commercial lifting operations.
Delivering an 8000kg maximum lifting capacity and 16.7 t·m rated lifting moment, this mobile telescopic boom crane reliably handles heavy loads across varying working radii, supporting large-scale construction and industrial installation tasks with consistent precision.
Engineered with a 26MPa rated hydraulic pressure, 63 L/min recommended flow, 30KW recommended power, and 200L large-capacity oil tank, the system delivers smooth, uninterrupted lifting control, perfectly suited for continuous shift operations in industrial settings.
Its full 360° slewing system enables flexible, all-around load positioning, eliminating blind spots and improving operational efficiency in large construction sites, industrial workshops, and port logistics yards.
Weighing 3260kg with a 1200mm minimum installation space, this heavy-duty telescopic boom truck crane is compatible with most medium-to-heavy duty trucks, and supports custom installation on reinforced truck beds for tailored project needs.
Fabricated from high-strength wear-resistant steel with precision engineering, the crane withstands long-term heavy use in harsh industrial and construction environments, minimizing downtime and maintenance costs.
Core Parameter | Specification | Core Parameter | Specification |
Maximum Lifting Weight | 8000Kg | Oil Tank Capacity | 200L |
Max Lifting Moment | 16.7 t·m | Slewing Angle | 360° |
Recommended Power | 30KW | Crane Net Weight | 3260kg |
Rated Hydraulic Pressure | 26MPa | Minimum Installation Space | 1200mm |
Recommended Hydraulic Flow | 63 L/min | - | - |
This 8 ton truck mounted telescopic crane is engineered for high-demand commercial and industrial scenarios, including:
Industrial Manufacturing & Machinery Installation: Perfect for heavy machinery installation, factory equipment maintenance, and large component handling in manufacturing plants, supporting continuous industrial shift operations.
Large-Scale Construction & Engineering: Optimized for steel structure positioning, concrete panel lifting, and infrastructure assembly on commercial construction sites, with reliable performance across extended working radii.
Port & Logistics Cargo Handling: Efficiently manages cargo loading and unloading in ports, logistics hubs, and freight yards, streamlining bulk material handling workflows.
Municipal Infrastructure Maintenance: Supports streetlight installation, traffic signal setup, and urban pipeline maintenance, with flexible deployment for public works projects.
Park the truck on firm, level ground, engage the parking brake, fully extend outriggers with proper support pads, inspect the work area for overhead obstacles and high-voltage lines, and confirm the load is within the rated capacity for the current working radius.
Always adhere to the official load chart, avoid sudden movements during lifting and rotation, never operate multiple boom handles simultaneously, and never lift loads over personnel.
Replace hydraulic oil filters every 500 operating hours, regularly inspect hydraulic hoses and valves for wear, lubricate all pivot points and telescopic boom slides, and check hydraulic oil levels before each use to ensure optimal performance.
What is the maximum lifting capacity of the SQS200G-4 8 ton telescopic hydraulic crane?
This heavy-duty crane delivers a maximum lifting capacity of 8000kg, with a 16.7 t·m rated lifting moment, designed for reliable heavy-load handling across diverse industrial and construction applications.
Can this hydraulic telescopic truck crane be installed on custom truck beds?
Yes. With a 1200mm minimum installation space and optimized design, it supports custom installation on properly reinforced truck beds to meet specific project requirements.
Is this crane suitable for continuous industrial shift operations?
Absolutely. It is engineered for long-duration continuous operation with a high-capacity 200L oil tank and robust hydraulic system, minimizing downtime for industrial shift work.
What maintenance is required for the crane’s hydraulic system?
Regular hydraulic oil level checks, filter replacement every 500 operating hours, and periodic inspection of hoses, valves, and seals are required to maintain optimal performance.
What industries commonly use this mobile telescopic boom crane?
It is widely used in commercial construction, industrial manufacturing, port logistics, and municipal infrastructure maintenance sectors.