| Availability: | |
|---|---|
| Quantity: | |
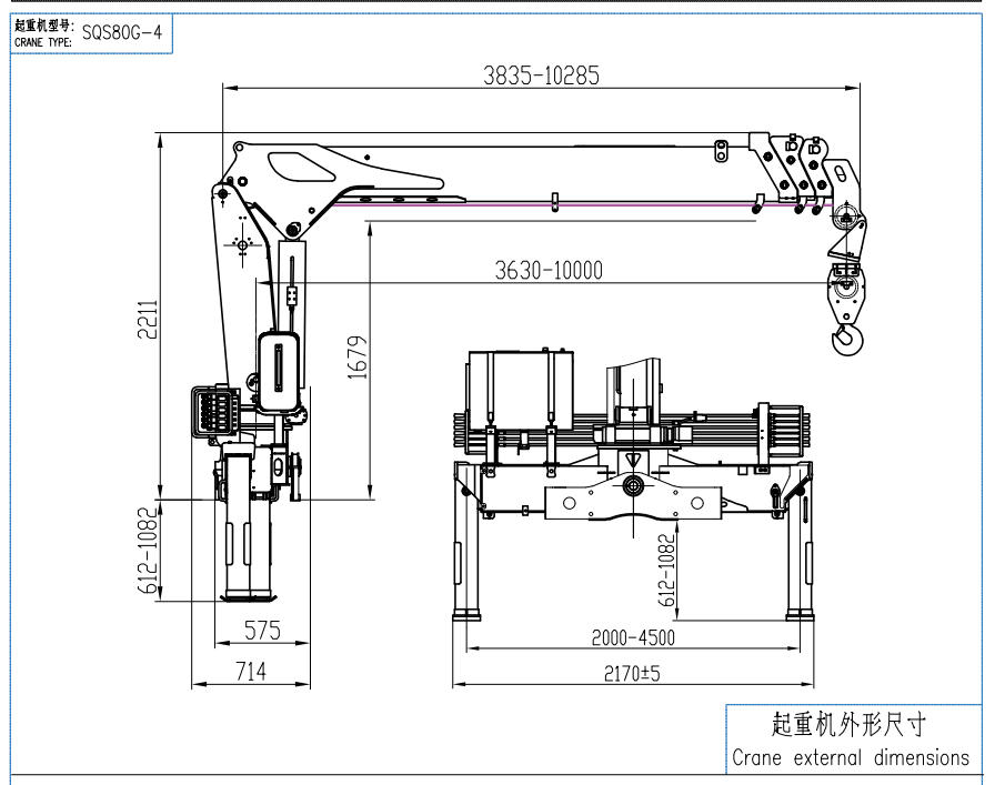
The SQS80G-4 3.2 ton telescopic boom truck crane is a robust, compact hydraulic lifting solution purpose-built for light to medium-duty lifting operations. Engineered with industry-leading structural design and optimized hydraulics, this hydraulic telescopic boom crane delivers a 3200 kg maximum lifting capacity and 8 t×m rated lifting moment, making it a versatile choice for commercial operators seeking reliable, space-saving lifting equipment. Weighing only 1600 kg with a minimal 800 mm installation space, it adapts seamlessly to most truck chassis, while full 360° slewing unlocks flexible operation in confined work zones. Backed by a 16 kW power system and precision control, this compact telescopic truck crane guarantees long-term durability, safety, and efficiency across diverse working scenarios.
This 3.2 ton truck mounted crane supports a 3200 kg maximum lift while maintaining exceptional stability on medium-duty trucks, with a two-section telescopic cylinder system ensuring smooth boom extension and precise load control, reducing internal component wear for extended service life.
Delivering 25 L/min flow at 20 MPa rated pressure, this mobile telescopic crane offers smooth, energy-efficient operation. The integrated friction brake and disc spring safety mechanism enhance load-holding capability, eliminating sudden load drops for maximum operational safety.
With an 800 mm installation footprint and full 360° continuous slewing, this 360° rotation telescopic crane excels in narrow job sites and urban streets where large equipment cannot access, without compromising lifting performance for mobile on-the-go operations.
The boom features a reinforced pentagonal and hexagonal design, manufactured from premium high-strength steel. This greatly improves torsional resistance and anti-buckling strength, ensuring superior rigidity, deformation resistance, and long-term durability under continuous use.
Core Parameter | Specification | Core Parameter | Specification |
Maximum Lifting Weight | 3200 Kg | Oil Tank Capacity | 60 L |
Maximum Lifting Moment | 8.0 t×m | Slewing Angle | 360° Full Rotation |
Recommended Power | 16 KW | Crane Net Weight | 1600 kg |
Recommended Hydraulic Flow | 32 L/min | Minimum Installation Space | 800 mm |
Rated Hydraulic Pressure | 20 MPa | - | - |
This telescopic boom truck crane for sale serves multiple sectors, with core use cases including:
Municipal Maintenance & Urban Infrastructure: Ideal for street light installation, utility pole erection, and roadside maintenance, delivering precise lifting in busy urban environments with limited operating space.
Industrial Manufacturing & Assembly: Perfect for machinery lifting, production line component assembly, and factory installation projects, with stable performance for indoor and outdoor operations.
Small-to-Medium Construction: Efficiently handles building material loading and placement, reducing manual labor and improving project efficiency on compact job sites.
Small Harbor & Dock Operations: Suitable for precision cargo handling, with corrosion-resistant components ensuring reliable performance in humid maritime environments.
Park the truck on firm, level ground, engage the parking brake, and fully extend outriggers with support pads on soft terrain. Inspect the work zone for obstacles and overhead power lines, and confirm the load is within rated capacity for the current boom radius and angle.
Only operate one control handle at a time, avoid sudden load movements, and never operate multiple boom handles simultaneously. Maintain a 10-meter minimum distance from high-voltage lines, and never lift loads over personnel or leave suspended loads unattended.
Lubricate pivot points, boom slides, and hydraulic pins after each operation. Conduct monthly checks of hydraulic oil levels, hose integrity, and bolt tightness. Only trained personnel should perform hydraulic maintenance, with worn parts replaced immediately to avoid safety hazards.
Yes, it fits light and medium trucks with a minimum 800 mm mounting space and sufficient chassis load capacity to support safe lifting operations.
Yes. Built with high-strength steel and integrated hydraulic safety controls, it delivers stable, safe performance at the maximum 3200 kg capacity when used in line with load chart guidelines.
Yes. Corrosion-resistant components and a fully sealed hydraulic system enable reliable operation in various outdoor environments, including light rain, high humidity, and fluctuating temperatures.
Yes, we provide comprehensive worldwide spare parts support, technical guidance, and after-sales service to minimize downtime for all our commercial operators.